Product Model
msb6-1/2:j2d1a1-wp

Key Features
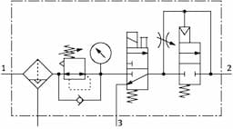
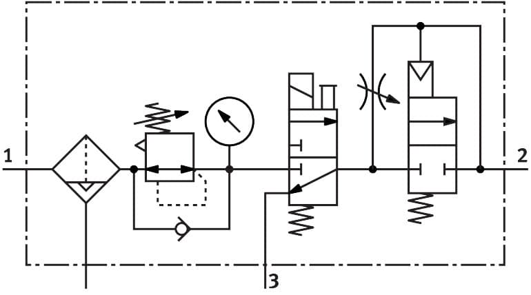
- 1The Festo MSB6-1/2-J2D1A1-WP is a comprehensive pneumatic air preparation unit that ensures the correct compressed air quality by filtering out oil, condensate, and dirt particles.
- 2This unit features a manual rotary knob with detent, allowing for easy operation and the option to lock the knob using accessories for added security.
- 3The MSB6-1/2-J2D1A1-WP includes a plastic bowl guard for protection and comes with a pressure regulator, various filters, a branch module, and pressurization and exhaust valves.
- 4Designed to meet ISO 85731:2010 standards, this unit provides reliable performance in a wide range of industrial applications.
- 5The Festo MSB6-1/2-J2D1A1-WP is part of Festo's extensive range of pneumatic components, ensuring compatibility and ease of integration into existing systems.
Technical Specifications
Detailed engineering parameters based on manufacturer documentation
| Parameter | Value | Parameter | Value |
|---|---|---|---|
| Size | 6 | Series | MS |
| Actuator lock | Rotary knob with detent can be closed with accessories | Mounting position | Vertical +/- 5° |
| Grade of filtration | 40μm | Condensate drain | Fully automatic |
| Structural design | Soft start valve Shut off valve Filter regulator with pressure gauge | Controller function | Outlet pressure constant With primary pressure compensation With secondary exhausting With return flow function |
| Bowl guard | Plastic bowl guard | Symbol | 00991767 |
| Pressure gauge | with pressure gauge | Operating pressure | 4.5bar 12bar |
| Pressure regulation range | 4bar 12bar | Standard nominal flow rate | 3100l/min |
| Coil characteristics | 24 V DC: 1.5 W | Operating medium | Compressed air as per ISO 8573-1:2010 [7:4:-] Inert gas |
| Information on operating and pilot media | Operation with oil lubrication possible (required for further use) | Corrosion resistance class (CRC) | 2 - Moderate corrosion stress |
| LABS (PWIS) conformity | VDMA24364-B1/B2-L | Storage temperature | -10°C 60°C |
| For use in the food industry | See supplementary material information | Air quality class at the output | Compressed air as per ISO 8573-1:2010 [7:4:4] |
| Temperature of medium | 5°C 60°C | Ambient temperature | 5°C 60°C |
| Product weight | 2400g | Type of mounting | With accessories |
| Pneumatic connection 1 | G1/2 | Pneumatic connection 2 | G1/2 |
| Pneumatic connection 3 | G1/2 | Note on materials | RoHS-compliant |
| Housing material | Die-cast aluminum | Material of bowl | PC |
| Manufacturer ID | 530224 |
Specifications may be subject to change without notice
