Product Model
msb6-1/2:j1d1a1-wp

Key Features
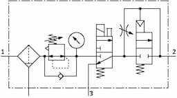
- 1The Festo MSB6-1/2-J1D1A1-WP is a comprehensive pneumatic air preparation unit designed to ensure high-quality compressed air for various industrial applications. It integrates a filter regulator, branching module, and lubricator to provide filtered and lubricated compressed air.
- 2This unit features a pressure regulation range of 0.5 to 12 bar, allowing for precise control over the output pressure. It also includes a pressure gauge with an outer scale in bar and an inner scale in psi for easy monitoring.
- 3The MSB6-1/2-J1D1A1-WP is equipped with a manual condensate drain option, ensuring efficient removal of condensate and maintaining system reliability. It also supports fully automatic condensate drain for continuous operation.
- 4The unit is designed for easy installation and connection, with standardized pneumatic connections (G1/2) and mounting brackets available. It conforms to ISO 1179-1 and ISO 228-1 standards for quality and compatibility.
- 5The Festo MSB6-1/2-J1D1A1-WP offers a robust filtration system with a grade of filtration of 40 μm, ensuring that compressed air is clean and free from contaminants. It is ideal for applications requiring high air quality and reliability.
Technical Specifications
Detailed engineering parameters based on manufacturer documentation
| Parameter | Value | Parameter | Value |
|---|---|---|---|
| Size | 6 | Series | MS |
| Actuator lock | Rotary knob with detent can be closed with accessories | Mounting position | Vertical +/- 5° |
| Grade of filtration | 40μm | Condensate drain | Manually rotating |
| Structural design | Soft start valve Shut off valve Filter regulator with pressure gauge | Controller function | Outlet pressure constant With primary pressure compensation With secondary exhausting With return flow function |
| Bowl guard | Plastic bowl guard | Symbol | 00991766 |
| Pressure gauge | with pressure gauge | Operating pressure | 4.5bar 18bar |
| Pressure regulation range | 4bar 12bar | Standard nominal flow rate | 3100l/min |
| Coil characteristics | 24 V DC: 1.5 W | Operating medium | Compressed air as per ISO 8573-1:2010 [-:4:-] Inert gas |
| Information on operating and pilot media | Operation with oil lubrication possible (required for further use) | Corrosion resistance class (CRC) | 2 - Moderate corrosion stress |
| LABS (PWIS) conformity | VDMA24364-B1/B2-L | Storage temperature | -10°C 60°C |
| For use in the food industry | See supplementary material information | Air quality class at the output | Compressed air as per ISO 8573-1:2010 [7:4:4] |
| Temperature of medium | -10°C 60°C | Ambient temperature | -10°C 60°C |
| Product weight | 2400g | Type of mounting | With accessories |
| Pneumatic connection 1 | G1/2 | Pneumatic connection 2 | G1/2 |
| Pneumatic connection 3 | G1/2 | Note on materials | RoHS-compliant |
| Housing material | Die-cast aluminum | Material of bowl | PC |
| Manufacturer ID | 530222 |
Specifications may be subject to change without notice
