Product Model
ms6n-lrpb-1/2-d5-a8-bi

Key Features
- 1The MS6N-LRBP-1/2-D5-A8-BI pressure regulator offers excellent control characteristics with low hysteresis, ensuring consistent and reliable pressure regulation in your industrial applications.
- 2This pressure regulator is available with various connection options, including G½ and G¼ pneumatic connections, making it easy to integrate into your existing systems.
- 3The lockable rotary knob ensures that setting values are secured, providing a high level of reliability and safety in your automation processes.
- 4The MS6N-LRBP-1/2-D5-A8-BI pressure regulator can be configured with or without secondary venting, allowing you to choose the best option for your specific application needs.
- 5Constructed from high-quality materials such as die-cast aluminum and polyamide/polyacetate, this pressure regulator is built to withstand the demands of industrial environments.
Technical Specifications
Detailed engineering parameters based on manufacturer documentation
| Parameter | Value | Parameter | Value |
|---|---|---|---|
| Size | 6 | Series | MS |
| Actuator lock | Rotary knob with detent | Mounting position | Any |
| Structural design | Pilot-controlled precision diaphragm regulator | Controller function | Outlet pressure constant With secondary exhausting |
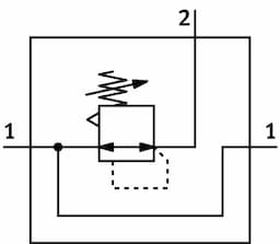
| Symbol | 00991973 | Pressure gauge | G1/8 prepared |
| Operating pressure | 1bar 14bar | Pressure regulation range | 0.1bar 4bar |
| Max. pressure hysteresis | 0.02bar | Flow rate of secondary venting | 650l/min |
| Standard nominal flow rate | 3000l/min | Operating medium | Compressed air as per ISO 8573-1:2010 [7:4:4] Inert gas |
| Information on operating and pilot media | Operation with oil lubrication not possible | Corrosion resistance class (CRC) | 2 - Moderate corrosion stress |
| LABS (PWIS) conformity | VDMA24364-B1/B2-L | Storage temperature | -10°C 60°C |
| Temperature of medium | -10°C 60°C | Ambient temperature | -10°C 60°C |
| Product weight | 850g | Type of mounting | Optionally: Front panel mounting Line installation With accessories |
| Pneumatic connection 1 | 1/2 NPT | Pneumatic connection 2 | 1/2 NPT |
| Pneumatic connection 3 | G1/4 | Note on materials | RoHS-compliant |
| Seals material | NBR | Housing material | Aluminum |
| Manufacturer ID | 534943 |
Specifications may be subject to change without notice
