Product Model
ms6n-lrb-1/2-d6-a4-as

Key Features
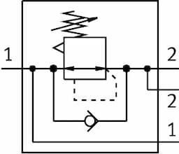
- 1The MS6N-LRB-1/2-D6-A4-AS pressure regulator offers precise control of pressure, ensuring consistent performance in industrial applications.
- 2Designed with corrosion resistance class 2, this regulator is suitable for environments with normal industrial conditions and exposure to coolants or lubricating agents.
- 3Available in various configurations, including standard, lockable, and long versions, making it easy to integrate into control panels.
- 4Built with die-cast aluminum body and polyamide/polyacetate regulating knob, ensuring durability and long service life.
- 5Spare parts are readily available, and the regulator's design facilitates easy maintenance, reducing downtime and increasing overall efficiency.
Technical Specifications
Detailed engineering parameters based on manufacturer documentation
| Parameter | Value | Parameter | Value |
|---|---|---|---|
| Size | 6 | Series | MS |
| Actuator lock | Rotary knob with detent can be closed with accessories | Mounting position | Any |
| Structural design | Directly controlled diaphragm regulator with continuous compressed air supply | Controller function | Outlet pressure constant With primary pressure compensation With secondary exhausting |
| Symbol | 00995310 | Pressure gauge | G1/4 prepared |
| Operating pressure | 0.8bar 20bar | Pressure regulation range | 0.3bar 7bar |
| Max. pressure hysteresis | 0.25bar | Standard nominal flow rate | 6300l/min |
| Operating medium | Compressed air as per ISO 8573-1:2010 [7:4:4] Inert gas | Information on operating and pilot media | Operation with oil lubrication possible (required for further use) |
| Corrosion resistance class (CRC) | 2 - Moderate corrosion stress | LABS (PWIS) conformity | VDMA24364-B1/B2-L |
| Storage temperature | -10°C 60°C | For use in the food industry | See supplementary material information |
| Temperature of medium | -10°C 60°C | Ambient temperature | -10°C 60°C |
| Product weight | 747g | Type of mounting | Optionally: Front panel mounting Line installation With accessories |
| Pneumatic connection 1 | 1/2 NPT | Pneumatic connection 2 | 1/2 NPT |
| Note on materials | RoHS-compliant | Material of operator panel | PA POM |
| Seals material | NBR | Housing material | Die-cast aluminum |
| Diaphragm material | NBR | Manufacturer ID | 531831 |
Specifications may be subject to change without notice
