Product Model
lfr-d-di-maxi

Key Features
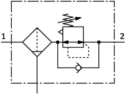
- 1The Festo LFR-D-DI-MAXI filter regulator offers 40 microns filtration, ensuring clean and reliable compressed air for industrial applications.
- 2Equipped with an auto drain feature, this filter regulator efficiently separates and drains condensate, maintaining optimal performance.
- 3The LFR-D-DI-MAXI allows for adjustable pressure regulation within the range of 0.5 to 12 bar, catering to various industrial requirements.
- 4Built with a die-cast zinc housing and a PC material bowl, this filter regulator is robust and durable, ensuring long-lasting performance.
- 5Designed for in-line installation, the LFR-D-DI-MAXI is easy to integrate into existing pneumatic systems, minimizing setup time and effort.
Technical Specifications
Detailed engineering parameters based on manufacturer documentation
| Parameter | Value | Parameter | Value |
|---|---|---|---|
| Size | Maxi | Series | D |
| Actuator lock | Rotary knob with detent | Mounting position | Vertical +/- 5° |
| Grade of filtration | 40μm | Condensate drain | Manually rotating |
| Structural design | Filter regulator without pressure gauge | Max. condensate volume | 42.983ml |
| Bowl guard | Metal bowl guard | Symbol | 00991590 |
| Pressure gauge | G1/4 prepared | Operating pressure | 1bar 16bar |
| Pressure regulation range | 0.5bar 12bar | Max. pressure hysteresis | 5.8psi |
| Standard nominal flow rate | 20021.19l/min | Operating medium | Compressed air as per ISO 8573-1:2010 [-:9:-] Inert gas |
| Corrosion resistance class (CRC) | 2 - Moderate corrosion stress | LABS (PWIS) conformity | VDMA24364-B1/B2-L |
| Storage temperature | -10°C 60°C | Air quality class at the output | Compressed air as per ISO 8573-1:2010 [7:8:4] Inert gas |
| Temperature of medium | -10°C 60°C | Ambient temperature | -10°C 60°C |
| Product weight | 1587.6g | Type of mounting | Line installation |
| Note on materials | RoHS-compliant | Housing material | Die-cast zinc |
| Material of bowl | PC | Manufacturer ID | 546512 |
Specifications may be subject to change without notice
