Product Model
lfr-d-7-di-maxi

Key Features
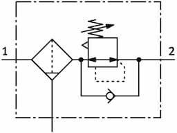
- 1The Festo LFR-D-7-DI-MAXI filter regulator is designed to handle high-pressure air filtration, ensuring optimal performance in industrial settings.
- 2Equipped with an automatic condensate drain, this product minimizes downtime and maintenance, keeping your system running smoothly.
- 3The directly-controlled pressure regulator provides precise control over the output pressure, ensuring consistent results in your applications.
- 4Built with a metal bowl guard and zinc die-casting housing, this filter regulator offers robust construction and durability.
- 5With a filtration grade of 40 µm, the LFR-D-7-DI-MAXI ensures efficient filtration, removing impurities and contaminants from the compressed air.
Technical Specifications
Detailed engineering parameters based on manufacturer documentation
| Parameter | Value | Parameter | Value |
|---|---|---|---|
| Size | Maxi | Series | D |
| Actuator lock | Rotary knob with detent | Mounting position | Vertical +/- 5° |
| Grade of filtration | 40μm | Condensate drain | Manually rotating |
| Structural design | Filter regulator without pressure gauge | Max. condensate volume | 42.983ml |
| Bowl guard | Metal bowl guard | Symbol | 00991590 |
| Pressure gauge | G1/4 prepared | Operating pressure | 1bar 16bar |
| Pressure regulation range | 0.5bar 7bar | Max. pressure hysteresis | 5.8psi |
| Standard nominal flow rate | 33813.56l/min | Operating medium | Compressed air as per ISO 8573-1:2010 [-:9:-] Inert gas |
| Information on operating and pilot media | Operation with oil lubrication possible (required for further use) | Corrosion resistance class (CRC) | 2 - Moderate corrosion stress |
| LABS (PWIS) conformity | VDMA24364-B1/B2-L | Storage temperature | -10°C 60°C |
| Air quality class at the output | Compressed air as per ISO 8573-1:2010 [7:8:4] Inert gas | Temperature of medium | -10°C 60°C |
| Ambient temperature | -10°C 60°C | Product weight | 1587.6g |
| Type of mounting | Line installation | Note on materials | RoHS-compliant |
| Housing material | Die-cast zinc | Material of bowl | PC |
| Manufacturer ID | 546514 |
Specifications may be subject to change without notice
