Product Model
lfr-3/4-d-di-maxi-ke-a

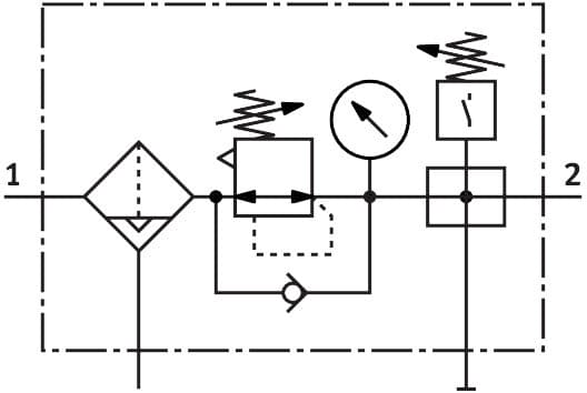
Key Features
- 1Optimal Air Quality: The Festo LFR-3/4-D-DI-MAXI-KE-A ensures high-quality compressed air by filtering out condensate, dirt particles, and compressor oil, meeting ISO 8573-1:2010 standards.
- 2Efficient Filtration: Equipped with a 40μm filtration grade, this unit provides reliable air preparation for various industrial applications, ensuring minimal energy requirements and long service life.
- 3Automatic Condensate Drain: The fully-automatic condensate drain feature ensures continuous operation without manual intervention, maintaining optimal performance and efficiency.
- 4Directly Actuated Pressure Regulator: The LFR-3/4-D-DI-MAXI-KE-A features a directly actuated pressure regulator with an integrated return flow function, providing precise pressure control and minimizing pressure hysteresis.
- 5Versatile Design: This air preparation unit is designed for in-line installation and can be configured with various accessories, making it adaptable to different industrial settings and applications.
Technical Specifications
Detailed engineering parameters based on manufacturer documentation
| Parameter | Value | Parameter | Value |
|---|---|---|---|
| Size | Maxi | Series | D |
| Actuator lock | Rotary knob with detent | Mounting position | Vertical +/- 5° |
| Grade of filtration | 40μm | Condensate drain | Fully automatic |
| Structural design | Branching module Pressure switch Filter regulator with pressure gauge | Max. condensate volume | 43ml |
| Bowl guard | Metal bowl guard | Symbol | 00991778 |
| Pressure gauge | with pressure gauge | Operating pressure | 29psi 174psi |
| Pressure regulation range MPa | 0.05MPa 1.2MPa | Pressure regulation range | 0.5bar 12bar |
| Pressure regulation range psi | 7.25psi 174psi | Standard nominal flow rate | 6000l/min |
| Operating medium | Compressed air as per ISO 8573-1:2010 [-:-:-] Inert gas | Corrosion resistance class (CRC) | 2 - Moderate corrosion stress |
| LABS (PWIS) conformity | VDMA24364-B1/B2-L | Air quality class at the output | Compressed air as per ISO 8573-1:2010 [6:8:4] Inert gas |
| Temperature of medium | -10°C 60°C | Ambient temperature | -10°C 60°C |
| Product weight | 2600g | Type of mounting | Optionally: Line installation With accessories |
| Pneumatic connection 1 | G3/4 | Pneumatic connection 2 | G3/4 |
| Housing material | Die-cast zinc | Material of bowl | PC |
| Manufacturer ID | 192465 |
Specifications may be subject to change without notice
