Product Model
lfr-1/4-d-midi-kc

Key Features
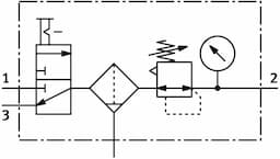
- 1The Festo LFR-1/4-D-MIDI-KC features a 40MIM grade of filtration, ensuring high-quality compressed air by removing impurities and contaminants.
- 2Equipped with a rotary knob and detent actuator lock, this unit provides precise control and secure settings, ensuring consistent performance.
- 3The manually rotating condensate drain allows for easy maintenance and efficient condensate removal, reducing downtime and extending the unit's lifespan.
- 4Available with either an analog or digital pressure gauge, this unit offers clear and accurate pressure readings, enhancing operational efficiency.
- 5Designed for vertical +/-5° mounting position, the LFR-1/4-D-MIDI-KC can be easily integrated into various compressed air systems, providing flexibility in installation.
Technical Specifications
Detailed engineering parameters based on manufacturer documentation
| Parameter | Value | Parameter | Value |
|---|---|---|---|
| Size | Midi | Series | D |
| Actuator lock | Rotary knob with detent | Mounting position | Vertical +/- 5° |
| Grade of filtration | 40μm | Condensate drain | Manually rotating |
| Structural design | Shut off valve Filter regulator with pressure gauge | Max. condensate volume | 43ml |
| Bowl guard | Metal bowl guard | Symbol | 00991523 |
| Pressure gauge | with pressure gauge | Operating pressure | 14.5psi 232psi |
| Pressure regulation range MPa | 0.05MPa 1.2MPa | Pressure regulation range | 0.5bar 12bar |
| Pressure regulation range psi | 7.25psi 174psi | Max. pressure hysteresis | 2.9psi |
| Standard nominal flow rate | 1900l/min | Operating medium | Compressed air as per ISO 8573-1:2010 [-:-:-] Inert gas |
| Corrosion resistance class (CRC) | 2 - Moderate corrosion stress | LABS (PWIS) conformity | VDMA24364-B1/B2-L |
| Air quality class at the output | Compressed air as per ISO 8573-1:2010 [7:8:4] Inert gas | Temperature of medium | -10°C 60°C |
| Ambient temperature | -10°C 60°C | Product weight | 1600g |
| Type of mounting | Optionally: Line installation With accessories | Pneumatic connection 1 | G1/4 |
| Pneumatic connection 2 | G? | Housing material | Die-cast zinc |
| Material of bowl | PC | Manufacturer ID | 185735 |
Specifications may be subject to change without notice
