Product Model
lfr-1/4-db-7-mini

Key Features
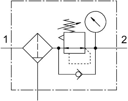
- 1The Festo LFR-1/4-DB-7-MINI is a compact and robust air preparation unit designed for precise regulation of compressed air, ensuring consistent system performance and reliability.
- 2This unit features a 40µm filtration grade, providing high-quality air output as per ISO 8573-1:2010, making it ideal for various industrial applications.
- 3Equipped with a manually-actuated ON-OFF valve, filter regulator with pressure gauge, and manual rotary condensate drain, this unit offers comprehensive air treatment functionality.
- 4The LFR-1/4-DB-7-MINI supports a maximum flow rate of 2500 L/min and operates within a pressure regulation range of 0.05 MPa to 0.7 MPa, ensuring efficient air supply.
- 5With its corrosion-resistant design and compliance with ISO standards, this unit is suitable for operation in a wide temperature range (-5°C to +50°C), enhancing its durability and performance in various environments.
Technical Specifications
Detailed engineering parameters based on manufacturer documentation
| Parameter | Value | Parameter | Value |
|---|---|---|---|
| Size | Mini | Width | 44mm |
| Series | DB | Actuator lock | Rotary knob with detent |
| Mounting position | Vertical +/- 5° | Grade of filtration | 40μm |
| Condensate drain | Manually rotating | Structural design | Filter regulator with pressure gauge |
| Controller function | With secondary exhausting With return flow function | Symbol | 00991589 |
| Pressure gauge | with pressure gauge | Operating pressure | 1.5bar 10bar |
| Pressure regulation range | 0.5bar 7bar | Max. pressure hysteresis | 0.5bar |
| Standard nominal flow rate | 1200l/min | Operating medium | Compressed air as per ISO 8573-1:2010 [-:9:-] Inert gas |
| Corrosion resistance class (CRC) | 1 - Low corrosion stress | LABS (PWIS) conformity | VDMA24364-B1/B2-L |
| Air quality class at the output | Compressed air as per ISO 8573-1:2010 [7:8:4] Inert gas | Temperature of medium | -5°C 50°C |
| Ambient temperature | -5°C 50°C | Product weight | 200g |
| Type of mounting | Optionally: Line installation With through-hole With mounting bracket | Pressure gauge connection | G1/8 |
| Pneumatic connection 1 | G1/4 | Pneumatic connection 2 | G? |
| Note on materials | RoHS-compliant | Seals material | NBR |
| Rotary knob material | POM | Compressed air filter material | PE |
| Housing material | PA-reinforced | Material of bowl | PC |
| Manufacturer ID | 539685 |
Specifications may be subject to change without notice
