Product Model
lfr-1/2-d-di-maxi-kf

Key Features
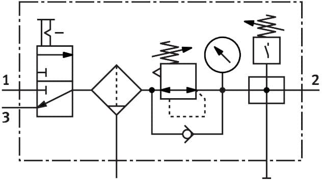
- 1The Festo LFR-1/2-D-DI-MAXI-KF is designed to provide high-quality compressed air treatment, ensuring optimal performance in various industrial applications.
- 2Built with durable die-cast zinc housing and a PC material bowl, this unit offers excellent corrosion resistance and reliability.
- 3Available for in-line installation, the LFR-1/2-D-DI-MAXI-KF can be easily integrated into your existing setup, offering flexibility in mounting positions.
- 4Featuring a 40 μm grade of filtration, this unit ensures that the compressed air meets stringent purity standards, making it ideal for sensitive applications.
- 5With a well-tried component status and compliance with ISO 13849-1 safety principles, the LFR-1/2-D-DI-MAXI-KF guarantees reliable performance under various operating conditions.
Technical Specifications
Detailed engineering parameters based on manufacturer documentation
| Parameter | Value | Parameter | Value |
|---|---|---|---|
| Size | Maxi | Series | D |
| Actuator lock | Rotary knob with detent | Mounting position | Vertical +/- 5° |
| Grade of filtration | 40μm | Condensate drain | Manually rotating |
| Structural design | Branching module Pressure switch Shut off valve Filter regulator with pressure gauge | Max. condensate volume | 43ml |
| Bowl guard | Metal bowl guard | Symbol | 00991757 |
| Pressure gauge | with pressure gauge | Operating pressure | 14.5psi 232psi |
| Pressure regulation range MPa | 0.05MPa 1.2MPa | Pressure regulation range | 0.5bar 12bar |
| Pressure regulation range psi | 7.25psi 174psi | Operating medium | Compressed air as per ISO 8573-1:2010 [-:-:-] Inert gas |
| Corrosion resistance class (CRC) | 2 - Moderate corrosion stress | LABS (PWIS) conformity | VDMA24364-B1/B2-L |
| Air quality class at the output | Compressed air as per ISO 8573-1:2010 [6:8:4] Inert gas | Temperature of medium | -10°C 60°C |
| Ambient temperature | -10°C 60°C | Product weight | 3500g |
| Type of mounting | Optionally: Line installation With accessories | Pneumatic connection 1 | G1/2 |
| Pneumatic connection 2 | G1/2 | Housing material | Die-cast zinc |
| Material of bowl | PC | Manufacturer ID | 192445 |
Specifications may be subject to change without notice
