Product Model
hel-1/2-d-midi

Key Features
- 1The Festo HEL-1/2-D-MIDI valve offers reliable on/off control with a 2/2-way normally closed (NC) configuration, ensuring consistent operation in compressed air preparation systems.
- 2Equipped with a soft-start function, this valve provides smooth and controlled flow initiation, reducing wear and tear on the system.
- 3The HEL-1/2-D-MIDI valve features high vibration resistance, making it suitable for applications in harsh environments.
- 4With a service-life value of 0.35 million cycles, this valve ensures long-lasting performance and durability in demanding industrial settings.
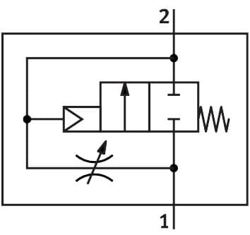
- 5The valve is pneumatically actuated, offering easy integration into existing compressed air systems and providing a reliable, maintenance-friendly solution.
Technical Specifications
Detailed engineering parameters based on manufacturer documentation
| Parameter | Value | Parameter | Value |
|---|---|---|---|
| Exhaust air function | With flow control option | Actuation type | Pneumatic |
| Sealing principle | Soft | Mounting position | Any |
| Manual override | None | Structural design | Piston gate valve |
| Reset method | Mechanical spring | Type of control | Direct |
| Flow direction | Non-reversible | Symbol | 00991513 |
| Valve function | 2/2, closed, monostable | Operating pressure | 3bar 16bar |
| b-value | 0.37 | C value | 19.8l/sbar |
| Standard nominal flow rate | 3600l/min | Operating medium | Compressed air as per ISO 8573-1:2010 [7:4:4] Inert gas |
| Information on operating and pilot media | Operation with oil lubrication possible (required for further use) | Corrosion resistance class (CRC) | 2 - Moderate corrosion stress |
| LABS (PWIS) conformity | VDMA24364-B1/B2-L | Air quality class at the output | Compressed air as per ISO 8573-1:2010 [7:4:4] Inert gas |
| Temperature of medium | -10°C 60°C | Ambient temperature | -10°C 60°C |
| Product weight | 270g | Type of mounting | Line installation |
| Pneumatic connection 1 | G1/2 | Pneumatic connection 2 | G1/2 |
| Note on materials | RoHS-compliant | Seals material | NBR |
| Housing material | Die-cast aluminum | Manufacturer ID | 165080 |
Specifications may be subject to change without notice
