Product Model
vuvg-s10-t32h-azt-m7-1t1l

Key Features
- 1High Performance: 2x3/2-way, open/closed, monostable valve function for precise control.
- 2Efficient Operation: Standard nominal flow rate of 160 l/min for optimal system performance.
- 3Robust Design: Piston gate valve with pneumatic spring reset for reliable operation.
- 4Versatile Mounting: Soft sealing principle and optional mounting positions for flexible installation.
- 5Advanced Safety Features: IP65 and IP67 degrees of protection, LED signal status display, and detenting manual override.
Technical Specifications
Detailed engineering parameters based on manufacturer documentation
| Parameter | Value | Parameter | Value |
|---|---|---|---|
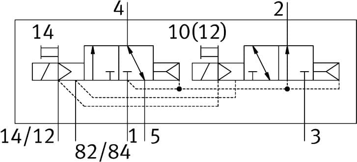
| Valve function | 2x3/2, open/closed, monostable | Actuation type | Electrical |
| Valve size | 10mm | Standard nominal flow rate | 160l/min |
| Pneumatic working port | M7 | Operating voltage | 24V DC |
| Operating pressure | 1.5bar 10bar | Structural design | Piston gate valve |
| Reset method | Pneumatic spring | Certification | c UL us - Recognized (OL) |
| Degree of protection | IP65 IP67 | Exhaust air function | With flow control option |
| Sealing principle | Soft | Mounting position | Any |
| Manual override | Detenting Non-detenting | Type of control | Pilot-controlled |
| Pilot air supply port | External | Symbol | 00992909 |
| Lap | Overlap | Signal status display | LED |
| Pilot pressure MPa | 0.15MPa 0.8MPa | Pilot pressure | 1.5bar 8bar |
| Max. switching frequency | 3Hz | Switching time off | 20ms |
| On switching time | 8ms | Duty cycle | 100% |
| Max. positive test pulse with 0 signal | 1600μs | Max. negative test pulse on 1 signal | 3000μs |
| Coil characteristics | 22 V DC: 1.0 W | Permissible voltage fluctuations | +/- 10 % |
| Operating medium | Compressed air as per ISO 8573-1:2010 [7:4:4] | Information on operating and pilot media | Operation with oil lubrication possible (required for further use) |
| Vibration resistance | Transport application test with severity level 2 as per FN 942017-4 and EN 60068-2-6 | Shock resistance | Shock test with severity level 2 as per FN 942017-5 and EN 60068-2-27 |
| Corrosion resistance class (CRC) | 2 - Moderate corrosion stress | LABS (PWIS) conformity | VDMA24364-B1/B2-L |
| Temperature of medium | -5°C 60°C | Pilot medium | Compressed air as per ISO 8573-1:2010 [7:4:4] |
| Ambient temperature | -5°C 60°C | Product weight | 59g |
| Electrical connection | Via sub-base | Type of mounting | On terminal strip |
| Pneumatic connection 2 | M7 | Pneumatic connection 4 | M7 |
| Note on materials | RoHS-compliant | Seals material | HNBR NBR |
| Housing material | Wrought aluminum alloy | Manufacturer ID | 573400 |
Specifications may be subject to change without notice
