Product Model
vuvg-b10z-m32c-rzt-f-1t1l-ex2c

Key Features
- 1Designed to withstand 38.5 million cycles with a well-tried component for safety-related applications.
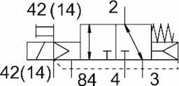
- 23/2-way, closed, monostable valve function with electric actuation and precise nominal flow rate of 130 L/min.
- 3Built with a piston pusher design, mechanical and pneumatic spring reset, and IP65/67 protection.
- 4Compatible with compressed air to ISO 8573-1:2010 [7:4:4] and operating pressure range of -0.9 to 10 bar.
- 5Includes LED signal status display, external pilot air supply, and optional flow control for exhaust-air function.
Technical Specifications
Detailed engineering parameters based on manufacturer documentation
| Parameter | Value | Parameter | Value |
|---|---|---|---|
| Valve function | 3/2, closed, monostable | Actuation type | Electrical |
| Valve size | 10mm | Standard nominal flow rate | 130l/min |
| Pneumatic working port | Flange | Operating voltage | 24V DC |
| Operating pressure | -0.9bar 10bar | Structural design | Piston gate valve |
| Reset method | Mechanical spring Pneumatic spring | Certification | c UL us - Recognized (OL) |
| Degree of protection | IP65 IP67 | Exhaust air function | With flow control option |
| Sealing principle | Soft | Mounting position | Any |
| Manual override | Detenting Non-detenting | Type of control | Pilot-controlled |
| Pilot air supply port | External | Symbol | 00995407 |
| Lap | Overlap | Signal status display | LED |
| Pilot pressure MPa | 0.15MPa 0.8MPa | Pilot pressure | 1.5bar 8bar |
| Max. switching frequency | 3Hz | Switching time off | 17ms |
| On switching time | 9ms | Duty cycle | 100% |
| Max. positive test pulse with 0 signal | 1600μs | Max. negative test pulse on 1 signal | 3000μs |
| Coil characteristics | 22 V DC: 1.0 W | Permissible voltage fluctuations | +/- 10 % |
| Operating medium | Compressed air as per ISO 8573-1:2010 [7:4:4] | Information on operating and pilot media | Operation with oil lubrication possible (required for further use) |
| Vibration resistance | Transport application test with severity level 2 as per FN 942017-4 and EN 60068-2-6 | Shock resistance | Shock test with severity level 2 as per FN 942017-5 and EN 60068-2-27 |
| Corrosion resistance class (CRC) | 2 - Moderate corrosion stress | LABS (PWIS) conformity | VDMA24364-B2-L |
| Temperature of medium | -5°C 60°C | Pilot medium | Compressed air as per ISO 8573-1:2010 [7:4:4] |
| Ambient temperature | -5°C 60°C | Product weight | 53g |
| Electrical connection | Via sub-base | Type of mounting | On terminal strip |
| Note on materials | RoHS-compliant | Seals material | HNBR NBR |
| Housing material | Wrought aluminum alloy | Manufacturer ID | 8041900 |
Specifications may be subject to change without notice
