Product Model
vuvg-b10-t32c-azt-f-1t1l

Key Features
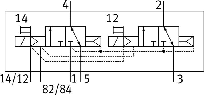
- 1High Precision Operation: 2x3/2-way monostable valve function ensures precise control.
- 2Electric Actuation: Easy to operate with a standard 24V DC voltage.
- 3Robust Design: Built with a piston gate valve for durability and reliability.
- 4Flow Control Option: Includes exhaust-air function with flow control for optimal performance.
- 5IP65 & IP67 Protection: Durable and resistant to harsh environments with IP65 and IP67 protection.
Technical Specifications
Detailed engineering parameters based on manufacturer documentation
| Parameter | Value | Parameter | Value |
|---|---|---|---|
| Valve function | 2x3/2, closed, monostable | Actuation type | Electrical |
| Valve size | 10mm | Standard nominal flow rate | 150l/min |
| Pneumatic working port | Flange | Operating voltage | 24V DC |
| Operating pressure | 1.5bar 10bar | Structural design | Piston gate valve |
| Reset method | Pneumatic spring | Certification | c UL us - Recognized (OL) |
| Degree of protection | IP65 IP67 | Exhaust air function | With flow control option |
| Sealing principle | Soft | Mounting position | Any |
| Manual override | Detenting Non-detenting | Type of control | Pilot-controlled |
| Pilot air supply port | External | Symbol | 00992905 |
| Lap | Overlap | Signal status display | LED |
| Pilot pressure MPa | 0.15MPa 0.8MPa | Pilot pressure | 1.5bar 8bar |
| Max. switching frequency | 3Hz | Switching time off | 20ms |
| On switching time | 8ms | Duty cycle | 100% |
| Max. positive test pulse with 0 signal | 1600μs | Max. negative test pulse on 1 signal | 3000μs |
| Coil characteristics | 22 V DC: 1.0 W | Permissible voltage fluctuations | +/- 10 % |
| Operating medium | Compressed air as per ISO 8573-1:2010 [7:4:4] | Information on operating and pilot media | Operation with oil lubrication possible (required for further use) |
| Vibration resistance | Transport application test with severity level 2 as per FN 942017-4 and EN 60068-2-6 | Shock resistance | Shock test with severity level 2 as per FN 942017-5 and EN 60068-2-27 |
| Corrosion resistance class (CRC) | 2 - Moderate corrosion stress | LABS (PWIS) conformity | VDMA24364-B1/B2-L |
| Temperature of medium | -5°C 60°C | Pilot medium | Compressed air as per ISO 8573-1:2010 [7:4:4] |
| Ambient temperature | -5°C 60°C | Product weight | 59g |
| Electrical connection | Via sub-base | Type of mounting | On terminal strip |
| Note on materials | RoHS-compliant | Seals material | HNBR NBR |
| Housing material | Wrought aluminum alloy | Manufacturer ID | 573410 |
Specifications may be subject to change without notice
