Product Model
vuvb-st12-m32c-mzh-qx-d-1t1

Key Features
- 1Electric Actuation: The Festo VUVB-ST12-M32C-MZH-QX-D-1T1 is an electric actuation type solenoid valve, ensuring precise control.
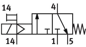
- 23/2-Way Valve Function: Offers a 3/2-way, closed, monostable valve function for versatile application in pneumatic systems.
- 3High Flow Rates: Standard nominal flow rate ranges from 240 to 400 liters per minute, making it suitable for various industrial applications.
- 4Robust Design: Equipped with a poppet valve and spring return design, providing reliable operation under high pressures (up to 8 bar).
- 5IP65 Protection: Features an IP65 degree of protection, ensuring durability and resistance to dust and water ingress.
Technical Specifications
Detailed engineering parameters based on manufacturer documentation
| Parameter | Value | Parameter | Value |
|---|---|---|---|
| Valve function | 3/2, closed, monostable | Actuation type | Electrical |
| Valve size | 12mm | Standard nominal flow rate | 240l/min 400l/min |
| Pneumatic working port | QS-4 QS-6 | Operating pressure | 2bar 8bar |
| Structural design | Poppet valve with return spring | Degree of protection | IP65 |
| Nominal width | 4mm | Exhaust air function | Without flow control option |
| Sealing principle | Soft | Mounting position | Any |
| Manual override | Non-detenting | Type of control | Pilot-controlled |
| Pilot air supply port | External | Flow direction | Non-reversible |
| Symbol | 00992123 | Information on operating pressure | 0 – 0.8 bar with external pilot air 0 - 8 bar with external pilot air |
| Pilot pressure MPa | 0.2MPa 0.8MPa | Pilot pressure | 2bar 8bar |
| Switching time off | 14ms | On switching time | 6ms |
| Duty cycle | 100% | Max. positive test pulse with 0 signal | 800μs |
| Max. negative test pulse on 1 signal | 300μs | Coil characteristics | 24 V DC: 1.0 W |
| Permissible voltage fluctuations | +/- 10 % | Operating medium | Compressed air as per ISO 8573-1:2010 [7:4:4] |
| Information on operating and pilot media | Operation with oil lubrication possible (required for further use) | Vibration resistance | Transport application test with severity level 1 as per FN 942017-4 and EN 60068-2-6 |
| Shock resistance | Shock test with severity level 1 as per FN 942017-5 and EN 60068-2-27 | Corrosion resistance class (CRC) | 0 - No corrosion stress |
| LABS (PWIS) conformity | VDMA24364-B1/B2-L | Temperature of medium | -5°C 60°C |
| Noise level | 85dB(A) | Ambient temperature | -5°C 60°C |
| Product weight | 26.3g | Electrical connection | Via sub-base |
| Type of mounting | On sub-base | Auxiliary pilot air port 14 | Sub-base |
| Pneumatic connection 1 | Sub-base | Pneumatic connection 3 | Sub-base |
| Pneumatic connection 5 | Sub-base | Note on materials | RoHS-compliant |
| Seals material | NBR TPE-U(PU) | Housing material | PA-reinforced |
| Piston slide material | Wrought aluminum alloy | Manufacturer ID | 575998 |
Specifications may be subject to change without notice
