Product Model
vsva-b-t32u-azh-a2-1r2l

Key Features
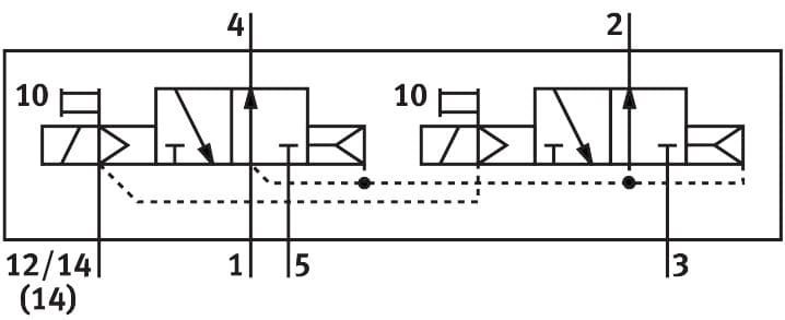
- 1The Festo VSVA-B-T32U-AZH-A2-1R2L solenoid valve offers 2x3/2-way operation, ensuring versatile control in pneumatic systems. Its electric actuation provides reliable and efficient valve control.
- 2With a standard nominal flow rate of 400 l/min and a maximum flow rate of 600 l/min, this valve is designed to handle high-pressure applications effectively. It also features a soft sealing principle for durability.
- 3The valve is constructed with a robust design, including a piston gate valve and pneumatic spring return, ensuring reliable operation under various conditions. It is also compliant with ISO 15407-1 and VDMA 24563 standards.
- 4The Festo VSVA-B-T32U-AZH-A2-1R2L solenoid valve is equipped with LED signal status display and external pilot air supply, enhancing its functionality and ease of use. It also includes reverse polarity protection for all electrical connections.
- 5This solenoid valve is designed to operate within a wide temperature range (-5°C to 50°C) and relative humidity (0 - 90%), making it suitable for various industrial environments. It also meets the CE mark and C-Tick certifications, ensuring compliance with EU EMC Directive and safety standards.
Technical Specifications
Detailed engineering parameters based on manufacturer documentation
| Parameter | Value | Parameter | Value |
|---|---|---|---|
| Valve function | 2x3/2, open, monostable | Actuation type | Electrical |
| Width | 18mm | Standard nominal flow rate | 400l/min |
| Pneumatic working port | Sub-base, size 18 mm as per ISO 15407-1 Connecting plate size 02 according to VDMA 24563 | Operating voltage | 24V DC |
| Operating pressure | 3bar 10bar | Structural design | Piston gate valve |
| Reset method | Pneumatic spring | Certification | C-Tick c UL us - Recognized (OL) |
| CE marking (see declaration of conformity) | As per EU EMC directive | Degree of protection | IP65 |
| Nominal width | 5mm | Exhaust air function | With flow control option |
| Sealing principle | Soft | Mounting position | Any |
| Conforms to standard | ISO 15407-1 VDMA 24563 | Manual override | Non-detenting |
| Type of control | Pilot-controlled | Pilot air supply port | External |
| Flow direction | Non-reversible | Symbol | 00991819 |
| Lap | Overlap | Reverse polarity protection | for all electrical connections |
| Additional functions | Holding current reduction Safety shut-down | Signal status display | LED |
| Pilot pressure MPa | 0.3MPa 0.8MPa | Pilot pressure | 3bar 8bar |
| Flow rate of pneumatic valve | 600l/min | Flow rate of pneumatic valve on individual sub-base | 450l/min |
| Optimized flow rate of pneumatic valve pneumatically concatenated flow | 400l/min | Switching time off | 22ms |
| On switching time | 10ms | DC operating voltage range | 21.6V 26.4V |
| Duty cycle | 100% | Max. positive test pulse with 0 signal | 500μs |
| Max. negative test pulse on 1 signal | 500μs | Coil characteristics | 24 V DC: low-current phase 1.0 W, high-current phase 2.4 W |
| Operating medium | Compressed air as per ISO 8573-1:2010 [7:4:4] | Information on operating and pilot media | Operation with oil lubrication possible (required for further use) |
| Vibration resistance | Transport application test with severity level 2 as per FN 942017-4 and EN 60068-2-6 | Shock resistance | Shock test with severity level 2 as per FN 942017-5 and EN 60068-2-27 |
| Corrosion resistance class (CRC) | 2 - Moderate corrosion stress | LABS (PWIS) conformity | VDMA24364-B1/B2-L |
| Temperature of medium | -5°C 50°C | Relative air humidity | 0 - 90 % |
| Protection against direct and indirect contact | PELV | Ambient temperature | -5°C 50°C |
| Max. tightening torque for valve mounting | 0.9Nm 1.1Nm | Product weight | 140g |
| Electrical connection | 4-pin M8x1 Central plug Round design | Type of mounting | On sub-base |
| Note on materials | RoHS-compliant | Manufacturer ID | 534782 |
Specifications may be subject to change without notice
