Product Model
vsva-b-t32c-azh-a2-1r2l

Key Features
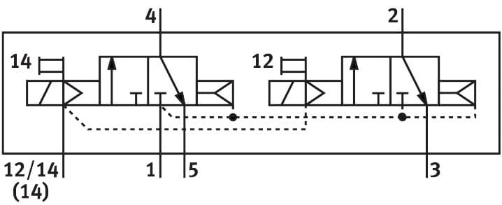
- 1The Festo VSVA-B-T32C-AZH-A2-1R2L solenoid valve offers a 2x3/2-way, monostable, closed valve function, ensuring precise control in industrial applications.
- 2With an electrical actuation type and 18 mm construction width, this valve is designed for efficient operation in various pneumatic systems.
- 3The standard nominal flow rate is 400 l/min, making it suitable for applications requiring moderate to high fluid flow rates.
- 4The valve operates within a pressure range of 0.3 MPa to 1 MPa (3 bar to 10 bar), providing flexibility in different operating conditions.
- 5Featuring IP65 degree of protection and soft sealing principle, this valve ensures reliable performance and durability in harsh environments.
Technical Specifications
Detailed engineering parameters based on manufacturer documentation
| Parameter | Value | Parameter | Value |
|---|---|---|---|
| Valve function | 2x3/2, closed, monostable | Actuation type | Electrical |
| Width | 18mm | Standard nominal flow rate | 400l/min |
| Pneumatic working port | Sub-base, size 18 mm as per ISO 15407-1 Connecting plate size 02 according to VDMA 24563 | Operating voltage | 24V DC |
| Operating pressure | 3bar 10bar | Structural design | Piston gate valve |
| Reset method | Pneumatic spring | Certification | C-Tick c UL us - Recognized (OL) |
| CE marking (see declaration of conformity) | As per EU EMC directive | Degree of protection | IP65 |
| Nominal width | 5mm | Exhaust air function | With flow control option |
| Sealing principle | Soft | Mounting position | Any |
| Conforms to standard | ISO 15407-1 VDMA 24563 | Manual override | Non-detenting |
| Type of control | Pilot-controlled | Pilot air supply port | External |
| Flow direction | Non-reversible | Symbol | 00991817 |
| Lap | Overlap | Reverse polarity protection | for all electrical connections |
| Additional functions | Holding current reduction Safety shut-down | Signal status display | LED |
| Pilot pressure MPa | 0.3MPa 0.8MPa | Pilot pressure | 3bar 8bar |
| Flow rate of pneumatic valve | 600l/min | Flow rate of pneumatic valve on individual sub-base | 450l/min |
| Optimized flow rate of pneumatic valve pneumatically concatenated flow | 400l/min | Switching time off | 22ms |
| On switching time | 10ms | DC operating voltage range | 21.6V 26.4V |
| Duty cycle | 100% | Max. positive test pulse with 0 signal | 500μs |
| Max. negative test pulse on 1 signal | 500μs | Coil characteristics | 24 V DC: low-current phase 1.0 W, high-current phase 2.4 W |
| Operating medium | Compressed air as per ISO 8573-1:2010 [7:4:4] | Information on operating and pilot media | Operation with oil lubrication possible (required for further use) |
| Vibration resistance | Transport application test with severity level 2 as per FN 942017-4 and EN 60068-2-6 | Shock resistance | Shock test with severity level 2 as per FN 942017-5 and EN 60068-2-27 |
| Corrosion resistance class (CRC) | 2 - Moderate corrosion stress | LABS (PWIS) conformity | VDMA24364-B1/B2-L |
| Temperature of medium | -5°C 50°C | Relative air humidity | 0 - 90 % |
| Protection against direct and indirect contact | PELV | Ambient temperature | -5°C 50°C |
| Max. tightening torque for valve mounting | 0.9Nm 1.1Nm | Product weight | 140g |
| Electrical connection | 4-pin M8x1 Central plug Round design | Type of mounting | On sub-base |
| Note on materials | RoHS-compliant | Manufacturer ID | 534781 |
Specifications may be subject to change without notice
