Product Model
vsva-b-t32c-azh-a1-1r5l

Key Features
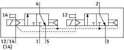
- 1The VSVA-B-T32C-AZH-A1-1R5L offers a reliable 2x3/2-way, monostable, closed valve function, ensuring precise control in various pneumatic applications.
- 2This solenoid valve is electrically actuated, providing fast and efficient operation with a nominal current of 110 mA up to 20 ms and 30 mA after 20 ms.
- 3With a standard nominal flow rate of 900 L/min, the VSVA-B-T32C-AZH-A1-1R5L is designed to handle high-performance pneumatic requirements, making it suitable for demanding applications.
- 4The valve features a robust design with IP65 protection and NEMA 4 rating, ensuring durability and resistance to harsh environments.
- 5The VSVA-B-T32C-AZH-A1-1R5L conforms to ISO 15407-1 and meets various international standards for safety and performance, including CE marking and UL recognition.
Technical Specifications
Detailed engineering parameters based on manufacturer documentation
| Parameter | Value | Parameter | Value |
|---|---|---|---|
| Valve function | 2x3/2, closed, monostable | Actuation type | Electrical |
| Width | 26mm | Standard nominal flow rate | 900l/min |
| Pneumatic working port | Sub-base, size 26 mm according to ISO 15407-1 | Operating voltage | 24V DC |
| Operating pressure | 3bar 10bar | Structural design | Piston gate valve |
| Reset method | Pneumatic spring | Certification | RCM compliance mark c UL us - Recognized (OL) |
| CE marking (see declaration of conformity) | As per EU EMC directive | UKCA marking (see declaration of conformity) | To UK instructions for EMC To UK RoHS instructions |
| Degree of protection | IP65 NEMA 4 | Nominal width | 9mm |
| Width dimension | 27mm | Exhaust air function | With flow control option Via throttle plate Via individual sub-base |
| Sealing principle | Soft | Mounting position | Any |
| Conforms to standard | ISO 15407-1 | Manual override | Non-detenting |
| Type of control | Pilot-controlled | Pilot air supply port | External |
| Flow direction | Non-reversible | Symbol | 00991817 |
| Lap | Overlap | Reverse polarity protection | for all electrical connections |
| Additional functions | Holding current reduction Safety shut-down | Signal status display | LED |
| Pilot pressure MPa | 0.3MPa 0.8MPa | Pilot pressure | 3bar 8bar |
| b-value | 0.25 | C value | 4l/sbar |
| Flow rate of pneumatic valve | 1250l/min | Flow rate of pneumatic valve on individual sub-base | 1000l/min |
| Optimized flow rate of pneumatic valve pneumatically concatenated flow | 900l/min | Switching time off | 33ms |
| On switching time | 20ms | Duty cycle | 100% |
| Max. positive test pulse with 0 signal | 400μs | Max. negative test pulse on 1 signal | 100μs |
| Nominal pick-up current per solenoid coil | 110 mA to 20 ms | Nominal current with current reduction | 30 mA after 20 ms |
| Coil characteristics | 24 V DC: low-current phase 1.0 W, high-current phase 2.4 W | Permissible voltage fluctuations | +/- 10 % |
| Operating medium | Compressed air as per ISO 8573-1:2010 [7:4:4] | Information on operating and pilot media | Operation with oil lubrication possible (required for further use) |
| Vibration resistance | Transport application test with severity level 2 as per FN 942017-4 and EN 60068-2-6 | Shock resistance | Shock test with severity level 2 as per FN 942017-5 and EN 60068-2-27 |
| Corrosion resistance class (CRC) | 2 - Moderate corrosion stress | LABS (PWIS) conformity | VDMA24364-B1/B2-L |
| Temperature of medium | -5°C 50°C | Relative air humidity | 0 - 90 % |
| Protection against direct and indirect contact | PELV | Pilot medium | Compressed air as per ISO 8573-1:2010 [7:4:4] |
| Ambient temperature | -5°C 50°C | Max. tightening torque for valve mounting | 1.8Nm 2.2Nm |
| Product weight | 270g | Electrical connection | 3-pin M12x1 Central plug Round design |
| Type of mounting | On sub-base With through-hole and screw | Pilot air port 12/14 | Sub-base, size 26 mm as per ISO 15407-1 |
| Pilot exhaust air port 82/84 | Ducted Not ducted as per standard Optionally: | Note on materials | RoHS-compliant |
| Seals material | FPM HNBR NBR | Housing material | Die-cast aluminum |
| Manufacturer ID | 534542 |
Specifications may be subject to change without notice
