Product Model
vsva-b-t22c-azh-d2-1t1l

Key Features
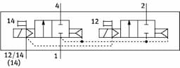
- 1High-Performance Operation: 2x2/2 closed, monostable valve function ensures reliable control.
- 2Electrical Actuation: Easy to operate with electrical signals for precise control.
- 3Robust Design: Withstood severe vibration and shock tests, ensuring durability.
- 4High Flow Rate: Standard nominal flow rate of 2800 L/min for efficient fluid management.
- 5CE Mark Compliance: Meets EU EMC Directive standards for safety and reliability.
Technical Specifications
Detailed engineering parameters based on manufacturer documentation
| Parameter | Value | Parameter | Value |
|---|---|---|---|
| Valve function | 2x2/2 closed, monostable | Actuation type | Electrical |
| Width | 52mm | Standard nominal flow rate | 2800l/min |
| Pneumatic working port | Sub-base, size 2 according to ISO 5599-2 G1/2 | Operating voltage | 24V DC |
| Operating pressure | 3bar 10bar | Structural design | Piston gate valve |
| Certification | c UL us - Recognized (OL) | KC characters | KC EMC |
| CE marking (see declaration of conformity) | As per EU EMC directive | Degree of protection | IP65 NEMA 4 |
| Width dimension | 59mm | Exhaust air function | With flow control option Via individual sub-base |
| Sealing principle | Soft | Mounting position | Any |
| Conforms to standard | ISO 5599-2 | Manual override | Non-detenting |
| Type of control | Pilot-controlled | Pilot air supply port | External |
| Flow direction | Non-reversible | Symbol | 00992246 |
| Signal status display | LED | Pilot pressure MPa | 0.3MPa 1MPa |
| Pilot pressure | 3bar 10bar | Flow rate of pneumatic valve | 4000l/min |
| Flow rate of pneumatic valve on individual sub-base | 3400l/min | Optimized flow rate of pneumatic valve pneumatically concatenated flow | 2800l/min |
| Switching time off | 35ms | On switching time | 14ms |
| Duty cycle | 100% | Max. positive test pulse with 0 signal | 1000μs |
| Max. negative test pulse on 1 signal | 3500μs | Nominal pick-up current per solenoid coil | 165 mA to 30 ms |
| Nominal current with current reduction | 35 mA after 30 ms | Coil characteristics | 24 V DC: 4.6 W |
| Surge resistance | 2.5kV | Contamination level | 3 |
| Permissible voltage fluctuations | +/- 10 % | Operating medium | Compressed air as per ISO 8573-1:2010 [7:4:4] |
| Information on operating and pilot media | Operation with oil lubrication possible (required for further use) | Vibration resistance | Transport application test with severity level 2 as per FN 942017-4 and EN 60068-2-6 |
| Shock resistance | Shock test with severity level 2 as per FN 942017-5 and EN 60068-2-27 | Corrosion resistance class (CRC) | 0 - No corrosion stress |
| LABS (PWIS) conformity | VDMA24364-B1/B2-L | Temperature of medium | -5°C 50°C |
| Relative air humidity | 0 - 90 % | Ambient temperature | -5°C 50°C |
| Product weight | 740g | Electrical connection | Plug-in as per ISO 5599-2 |
| Type of mounting | On sub-base | Pilot air port 12/14 | Sub-base, size 2 as per ISO 5599-2 |
| Pilot exhaust air port 82/84 | Ducted Not ducted as per standard Optionally: | Pneumatic connection 1 | Sub-base, size 2 as per ISO 5599-2 |
| Pneumatic connection 2 | Sub-base, size 2 as per ISO 5599-2 | Pneumatic connection 3 | Sub-base, size 2 as per ISO 5599-2 |
| Pneumatic connection 4 | Sub-base, size 2 as per ISO 5599-2 | Pneumatic connection 5 | Sub-base, size 2 as per ISO 5599-2 |
| Note on materials | RoHS-compliant | Seals material | FPM HNBR NBR |
| Housing material | Die-cast aluminum PA | Material of screws | Steel, galvanized |
| Manufacturer ID | 8034982 |
Specifications may be subject to change without notice
