Product Model
vn-07-h-t3-pi4-vi4-ro1-a

Key Features
- 1The VN-07-H-T3-PI4-VI4-RO1-A vacuum generator delivers high vacuum levels, making it ideal for applications requiring precise suction control.
- 2With a nominal size of 0.7 mm and grid dimension of 14 mm, this vacuum generator is designed for compact installations, perfect for space-constrained automation systems.
- 3The VN-07-H-T3-PI4-VI4-RO1-A offers optional mounting positions, allowing for flexible integration into various pneumatic systems.
- 4Operating at pressures between 1 bar and 8 bar, this vacuum generator ensures efficient operation across a wide range of applications.
- 5Built with anodized wrought aluminum alloy and nickel-plated brass, the VN-07-H-T3-PI4-VI4-RO1-A is designed for durability and resistance to corrosion, ensuring long-lasting performance in demanding environments.
Technical Specifications
Detailed engineering parameters based on manufacturer documentation
| Parameter | Value | Parameter | Value |
|---|---|---|---|
| Nominal width of Laval nozzle | 0.7mm | Width dimension | 14mm |
| Muffler construction type | Open | Mounting position | Any |
| Ejector characteristics | Standard High negative pressure | Integrated function | Ejector pulse valve, pneumatic Pneumatic muffler open |
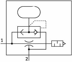
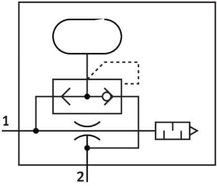
| Structural design | T-shape | Symbol | 00992043 |
| Operating pressure for max. suction rate | 3bar | Operating pressure | 1bar 8bar |
| Operating pressure for max. vacuum | 4.4bar | Max. vacuum | 92% |
| Nominal operating pressure | 6bar | Max. suction rate with respect to atmosphere | 16.2l/min |
| Air supply time at nominal operating pressure | 1.5s | Operating medium | Compressed air as per ISO 8573-1:2010 [7:4:4] |
| Information on operating and pilot media | Operation with oil lubrication not possible | Corrosion resistance class (CRC) | 2 - Moderate corrosion stress |
| LABS (PWIS) conformity | VDMA24364-B1/B2-L | Temperature of medium | 0°C 60°C |
| Cleaning advice | Soap suds | Noise level at nominal operating pressure | 65dB(A) |
| Ambient temperature | 0°C 60°C | Max. tightening torque | 0.5Nm |
| Product weight | 50g | Type of mounting | With through-hole With H-rail With accessories |
| Pneumatic connection 1 | G1/8 | Pneumatic connection 3 | Pneumatic muffler open |
| Vacuum connection | G1/8 | Material of connecting thread | Wrought aluminum alloy, anodized |
| Note on materials | RoHS-compliant | Seals material | NBR |
| Female nozzle material | POM | Housing material | PA-reinforced POM-reinforced |
| Muffler material | PE | Material of screws | Steel |
| Material of jet nozzle | Wrought aluminum alloy | Manufacturer ID | 532632 |
Specifications may be subject to change without notice
