Product Model
vfof-ce-bah-q6-q6

Key Features
- 1The Festo One-way Flow Control Valve VFOF-CE-BAH-Q6-Q6 offers high flow rates, making it suitable for demanding pneumatic applications.
- 2This valve is designed to be compact, allowing for easy integration into various systems without taking up excessive space.
- 3The valve can be rotated horizontally through 360° in its assembled state, providing flexibility in installation and operation.
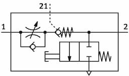
- 4It functions as an actuated non-return valve, ensuring that flow is restricted in one direction while allowing full flow in the reverse direction.
- 5The valve features pneumatic connections, making it easy to integrate with other pneumatic components in your system.
Technical Specifications
Detailed engineering parameters based on manufacturer documentation
| Parameter | Value | Parameter | Value |
|---|---|---|---|
| Valve function | Exhaust air flow control non-return function | Selection of additional function | Piloted check valve |
| Pneumatic connection 1 | QS-6 | Pneumatic connection 2 | QS-6 |
| Actuation type | Manual | Pilot air port 21 | QS-6 |
| Standard nominal flow rate in flow control direction | 240l/min | Standard nominal flow rate in non-return direction | 400l/min 460l/min |
| Operating pressure | 145psi | Pilot pressure MPa | 0.2MPa 1MPa |
| Pilot pressure | 2bar 10bar | Pilot pressure psi | 29psi 145psi |
| Ambient temperature | -10°C 60°C | Housing material | PBT |
| Explosion prevention and protection | Zone 2 (ATEX) Zone 22 (ATEX) | Mounting position | Any |
| Actuation type, piloted non-return function | Pneumatic | Manual exhaust function | Non-detenting |
| Symbol | 00991958 | Operating pressure for entire temperature range | 0.2bar 10bar |
| Standard flow rate in flow control direction 6 -> 0 bar | 420l/min | Standard flow rate in non-return direction at 6 -> 0 bar | 400l/min 460l/min |
| Standard flow rate in non-return direction at 6 -> 0 bar unactuated | 400l/min 460l/min | Standard nominal flow rate in non-return direction actuated | 150l/min 230l/min |
| Standard nominal flow rate in non-return direction, unactuated | 120l/min 220l/min | Switching time off | 9ms |
| On switching time | 6ms | Operating medium | Compressed air as per ISO 8573-1:2010 [7:4:4] |
| Information on operating and pilot media | Operation with oil lubrication possible | LABS (PWIS) conformity | VDMA24364-B1/B2-L |
| Storage temperature | -20°C 70°C | Temperature of medium | -10°C 60°C |
| Pilot medium | Compressed air as per ISO 8573-1:2010 [7:4:4] | Permissible actuation moment, adjusting screw | 1Nm |
| Product weight | 24.6g | Covering material | ES-BE |
| Note on materials | RoHS-compliant | Cover material | PBT |
| Seals material | NBR | Sleeve material | Wrought aluminum alloy |
| Releasing ring material | POM | Material of adjusting screw | Brass |
| Manufacturer ID | 8193267 |
Specifications may be subject to change without notice
