Product Model
vak-1/4

Key Features
- 1High vacuum performance with 80% vacuum capacity.
- 2Integrated ejector pulse, pneumatic function for efficient operation.
- 3T-shape design for easy mounting and installation.
- 4Durable die-cast aluminum housing for long-lasting use.
- 5Compatible with compressed air to ISO 8573-1:2010 [7:4:4] for reliable operation.
Technical Specifications
Detailed engineering parameters based on manufacturer documentation
| Parameter | Value | Parameter | Value |
|---|---|---|---|
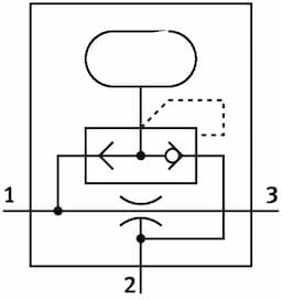
| Nominal width of Laval nozzle | 1mm | Mounting position | Any |
| Ejector characteristics | High vacuum | Integrated function | Ejector pulse, pneumatic |
| Structural design | T-shape | Symbol | 00991484 |
| Operating pressure | 21.75psi 145psi | Max. vacuum | 80% |
| Operating medium | Compressed air as per ISO 8573-1:2010 [7:4:4] | Information on operating and pilot media | Operation with oil lubrication possible (required for further use) |
| LABS (PWIS) conformity | VDMA24364-B1/B2-L | Temperature of medium | -20°C 80°C |
| Ambient temperature | -20°C 80°C | Type of mounting | With through-hole |
| Pneumatic connection 1 | G1/4 | Pneumatic connection 3 | G1/4 |
| Vacuum connection | G1/4 | Housing material | Die-cast aluminum |
| Manufacturer ID | 6890 |
Specifications may be subject to change without notice
