Product Model
vad-me-i-1/8

Key Features
- 1The VAD-ME-I-1/8 features a high vacuum ejector characteristic, ensuring efficient vacuum generation.
- 2Integrated electric on-off valve for precise control over vacuum operations.
- 3Compact T-shape design for easy integration into various pneumatic systems.
- 4Operates with compressed air to ISO 8573-1:2010 [7:4:4] standards, ensuring reliable performance.
- 5Built with IP65 protection, this vacuum generator is resistant to dust and water, making it suitable for various industrial environments.
Technical Specifications
Detailed engineering parameters based on manufacturer documentation
| Parameter | Value | Parameter | Value |
|---|---|---|---|
| Nominal width of Laval nozzle | 0.95mm | Mounting position | Any |
| Ejector characteristics | High vacuum | Integrated function | Ejector pulse valve, electric Shut off valve, electric |
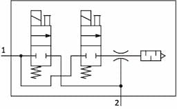
| Structural design | T-shape | Symbol | 00991493 |
| Operating pressure | 1.5bar 8bar | Max. vacuum | 90% |
| Duty cycle | 100% | Operating medium | Compressed air as per ISO 8573-1:2010 [7:4:4] |
| Information on operating and pilot media | Operation with oil lubrication not possible | LABS (PWIS) conformity | VDMA24364-B2-L |
| Temperature of medium | 0°C 50°C | Degree of protection | IP65 |
| Ambient temperature | 0°C 50°C | Electrical connection | Plug |
| Type of mounting | With internal thread | Pneumatic connection 1 | G1/8 |
| Vacuum connection | G1/8 | Housing material | Aluminum |
| Manufacturer ID | 35531 |
Specifications may be subject to change without notice
