Product Model
vabf-s6-1-p5a4s2ye-g12-1t5-pa

Key Features
- 1High Vibration Resistance: Designed to withstand transport application tests at severity level 2.
- 2Precise Timing Pulses: Max. positive test pulse with 0 signal: 2000 µs, max. negative test pulse with 1 signal: 1200 µs.
- 3Robust Construction: Made from durable materials including wrought aluminum alloy and galvanized steel.
- 4Compact Design: Grid dimension: 41 mm, valve size: 40 mm, width: 40 mm, length: 155 mm.
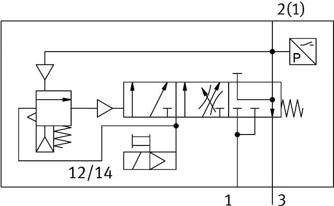
- 5Reliable Operation: Suitable for compressed air operation to ISO 8573-1:2010 [7:4:4], with a standard nominal flow rate of 3000 l/min for ventilation and 3300 l/min for exhaust air.
Technical Specifications
Detailed engineering parameters based on manufacturer documentation
| Parameter | Value | Parameter | Value |
|---|---|---|---|
| Max. positive test pulse with 0 signal | 2000μs | Max. negative test pulse on 1 signal | 1200μs |
| Width | 40mm | Length | 155mm |
| Width dimension | 41mm | Valve size | 40mm |
| Vibration resistance | Transport application test with severity level 2 as per FN 942017-4 and EN 60068-2-6 | Shock resistance | Shock test with severity level 2 as per FN 942017-5 and EN 60068-2-27 |
| Actuation type | Electrical | Sealing principle | Soft |
| Mounting position | Any | Manual override | Detenting Self-resetting via electrical control signal |
| Structural design | Piston gate valve | Reset method | Mechanical spring |
| Type of control | Pilot-controlled | Pilot air supply port | Internal |
| Flow direction | Non-reversible | Symbol | 00997289 |
| Valve function | Pressure build-up Exhaust | Switching element function | N/C contact |
| Lap | Underlap | Note on forced dynamization | Switching frequency at least once a month |
| Signal status display | Yellow LED, valve control Green LED, pressure switch, exhausted status | Switching position sensing | Via pressure switch, exhausted status |
| Operating pressure | 2bar 10bar | Pilot pressure MPa | 0.2MPa 1MPa |
| Pilot pressure | 2bar 10bar | Changeover pressure | Not adjustable Switching point between 50 - 75% of operating pressure |
| Suitability for vacuum | no | Standard nominal flow rate pressurization | 3000l/min |
| Note on standard nominal flow rate, pressurization | MPA: 1200 l/min VTSA: 3000 l/min | Standard nominal flow rate exhaust air | 3300l/min |
| Note on standard nominal flow rate, exhaust air | MPA: 1600 l/min VTSA: 3300 l/min | Duty cycle | 100% |
| Nominal operating voltage DC | 24V | Coil characteristics | 24 V DC: 1.6 W |
| Permissible voltage fluctuations | +/- 10 % | Operating medium | Compressed air as per ISO 8573-1:2010 [7:4:4] |
| Information on operating and pilot media | Operation with oil lubrication not possible | Corrosion resistance class (CRC) | 0 - No corrosion stress |
| LABS (PWIS) conformity | VDMA24364-B1/B2-L | Storage temperature | -20°C 60°C |
| Temperature of medium | -5°C 50°C | Relative air humidity | Max. 90 % at 40 °C |
| Degree of protection | IP65 | Pilot medium | Compressed air as per ISO 8573-1:2010 [7:4:4] |
| Ambient temperature | -5°C 50°C | MTTF, subcomponent | 452 years, pressure switch |
| Product weight | 466g | Electrical actuation | Fieldbus |
| Electrical connection | Plug-in | Type of mounting | On sub-base |
| Pneumatic connection 3 | G1/2 | Note on materials | RoHS-compliant |
| Seals material | HNBR NBR | Housing material | Wrought aluminum alloy |
| Material of screws | Steel, galvanized | Manufacturer ID | 8067405 |
Specifications may be subject to change without notice
