Product Model
vabf-s4-2-r4c2-c-10

Key Features
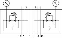
- 1The Festo VABF-S4-2-R4C2-C-10 regulator plate ensures constant output pressure with a regulation range of 0.2 MPa to 0.85 MPa, making it suitable for various pneumatic system applications.
- 2This regulator plate features a construction width of 18 mm, adhering to the ISO 15407-2 standard, and offers optional mounting positions for flexibility in installation.
- 3The VABF-S4-2-R4C2-C-10 supports secondary venting and allows for the selection of a pressure gauge, ensuring accurate monitoring of the system's pressure.
- 4With an operating pressure of up to 1 MPa (10 bar) and an ambient temperature range of -5 °C to 50 °C, this regulator plate is designed for robust performance in diverse environments.
- 5The product is CE marked and complies with EU Low Voltage Directive and UK regulations for electrical equipment, ensuring safety and reliability in its operation.
Technical Specifications
Detailed engineering parameters based on manufacturer documentation
| Parameter | Value | Parameter | Value |
|---|---|---|---|
| Width | 18mm | Based on norm | ISO 15407-2 |
| Mounting position | Any | Controller function | Outlet pressure constant With secondary exhausting |
| Symbol | 00991580 | Optional pressure gauge | Possible |
| Operating pressure | 10bar | Pressure regulation range MPa | 0.2MPa 0.85MPa |
| Pressure regulation range | 2bar 8.5bar | Pressure regulation range psi | 29psi 123.25psi |
| Inlet pressure 1 | 0.5bar 10bar | CE marking (see declaration of conformity) | As per EU low voltage directive |
| UKCA marking (see declaration of conformity) | To UK instructions for electrical equipment | Operating medium | Compressed air as per ISO 8573-1:2010 [7:4:4] |
| Information on operating and pilot media | Operation with oil lubrication possible (required for further use) | Corrosion resistance class (CRC) | 0 - No corrosion stress |
| LABS (PWIS) conformity | VDMA24364-B1/B2-L | Degree of protection | IP65 NEMA 4 |
| Pilot medium | Compressed air as per ISO 8573-1:2010 [7:4:4] | Ambient temperature | -5°C 50°C |
| Product weight | 611g | Vertical stacking mounting type | On manifold sub-base On individual sub-base |
| Pressure gauge connection | With retaining clamp | Material of operator panel | PA |
| Controller housing material | Die-cast aluminum | Manufacturer ID | 540165 |
Specifications may be subject to change without notice
