Product Model
vabf-s4-1-v2b1-c-vh-20

Key Features
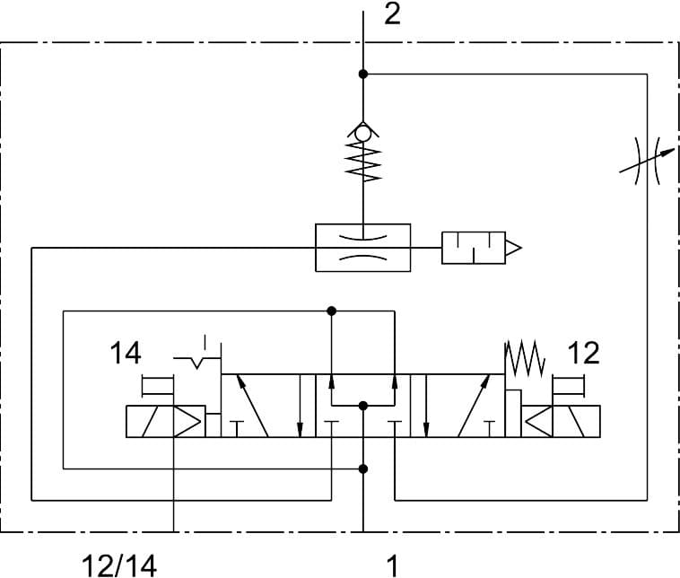
- 1Advanced Vacuum Generation: Generates high vacuum with adjustable ejector pulse for safe workpiece release.
- 2Air-Saving Function: Optimizes air usage with automatic switching points for efficient operation.
- 3High Precision Pressure Control: Monitors and controls vacuum pressure with a pressure sensor and threshold value comparator.
- 4Integrated Safety Features: Includes a non-return valve to delay vacuum reduction if air supply is interrupted, ensuring safe operation.
- 5Durable Design: Constructed with IP65-rated housing and galvanized steel screws for robust performance in various environments.
Technical Specifications
Detailed engineering parameters based on manufacturer documentation
| Parameter | Value | Parameter | Value |
|---|---|---|---|
| Nominal width of Laval nozzle | 2mm | Muffler construction type | Open |
| Reverse polarity protection | for all electrical connections | Mounting position | Any |
| Ejector characteristics | High vacuum Standard | Manual override | Detenting Non-detenting Covered |
| Integrated function | Ejector pulse valve, electric Flow control Shut off valve, electric Air saving function, electrical Non-return valve Pneumatic muffler open Vacuum switch | Structural design | Non-modular |
| Short-circuit protection | yes | Measured variable | Relative pressure |
| Measuring principle | Piezoresistive | Switching function | Threshold value comparator |
| Symbol | 00995768 | Valve function | 5/3, pressurized |
| Switching element function | N/O contact | Setting range hysteresis | -0.9bar 0bar |
| Setting range threshold value | -0.999bar 0bar | Operating pressure | 4bar 8bar |
| Nominal operating pressure | 6bar | DC operating voltage range | 21.6V 26.4V |
| Inductive protective circuit | Adapted to MZ, MY and ME coils | Idle current | 50mA 150mA |
| Max. output current | 50mA | Duty cycle | 100% |
| Voltage drop | 1.5V | Coil characteristics | 24 V DC: 1.3 W |
| Overload protection | Available | Operating medium | Compressed air as per ISO 8573-1:2010 [7:4:4] |
| Information on operating and pilot media | Operation with oil lubrication not possible | Corrosion resistance class (CRC) | 0 - No corrosion stress |
| LABS (PWIS) conformity | VDMA24364 zone III | Temperature of medium | 0°C 50°C |
| Noise level | 78dB(A) | Degree of protection | IP65 |
| Ambient temperature | 0°C 50°C | Product weight | 1120g |
| Pressure measuring range | -1bar 0bar | Accuracy in ± % FS | 3%FS |
| Type of mounting | On sub-base | Pneumatic connection 1 | Sub-base, size 26 mm as per ISO 15407-2 |
| Pneumatic connection 3 | Sub-base, size 26 mm as per ISO 15407-2 | Note on materials | RoHS-compliant |
| Seals material | NBR | Housing material | Wrought aluminum alloy |
| Material of screws | Steel Galvanized | Material of plug housing | Die-cast zinc Nickel-plated |
| Material of pin contacts | Brass Gold-plated | Inspection window material | PA |
| Material of keypad | TPE-U | Manufacturer ID | 571425 |
Specifications may be subject to change without notice
