Product Model
sve4-us-r-hm8-2p-m8

Key Features
- 1The Festo SVE4-US-R-HM8-2P-M8 signal converter offers a versatile input range of 0 to 10 V, making it suitable for various industrial applications. Its programmable switching function ensures flexibility in system design.
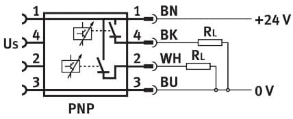
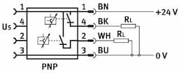
- 2This signal converter features two PNP switch outputs, providing reliable and efficient control signals. The M8 socket and plug connections ensure easy integration into your automation setup.
- 3The SVE4-US-R-HM8-2P-M8 is designed for direct mounting on DIN H-rail or with an adapter plate, offering flexibility in installation options. Its compact design fits seamlessly into modern industrial environments.
- 4With its teach-in buttons, you can easily program the switching statuses "Gripper open," "Part gripped," and "Part not gripped," simplifying quality inspection processes in your production line.
- 5The Festo SVE4-US-R-HM8-2P-M8 is part of Festo's extensive range of automation components, ensuring compatibility with other Festo products and systems. This reduces complexity and enhances system reliability.
Technical Specifications
Detailed engineering parameters based on manufacturer documentation
| Parameter | Value | Parameter | Value |
|---|---|---|---|
| Symbol | 00991962 | Certification | RCM compliance mark c UL us - Listed (OL) |
| UL-ambient temperature | -20°C 60°C | CE marking (see declaration of conformity) | As per EU EMC directive As per EU RoHS directive |
| UKCA marking (see declaration of conformity) | To UK instructions for EMC To UK RoHS instructions | Note on materials | RoHS-compliant |
| Signal range | 0 - 10 V +/-0.3 V | Ambient temperature | -20°C 70°C |
| Switching output | 2xPNP | Switching function | Freely programmable |
| Switching element function | Switchable | Short-circuit protection | Pulsed |
| Overload protection | Available | DC operating voltage range | 10V 30V |
| Electrical connection 1, connection type | Socket | Electrical connection 1, connection technology | M8x1 A-coded as per EN 61076-2-104 |
| Electrical connection 1, number of pins/wires | 4 | Electrical connection 1, type of mounting | Screw-type lock |
| Electrical connection for input 1, connection pattern | 00991872 | Electrical connection 2, connection type | Plug |
| Electrical connection 2, connection technology | M8x1 A-coded as per EN 61076-2-104 | Electrical connection 2, number of pins/wires | 4 |
| Electrical connection 2, type of mounting | Screw-type lock | Electrical connection 2, connection pattern | 00991171 |
| Product weight | 19g | Housing material | ABS |
| Setting options | Teach-in | Degree of protection | IP65 |
| Corrosion resistance class (CRC) | 2 - Moderate corrosion stress | LABS (PWIS) conformity | VDMA24364-B2-L |
| Manufacturer ID | 544217 |
Specifications may be subject to change without notice
