Product Model
sve4-is-r-hm8-2p-m8

Key Features
- 1The Festo SVE4 signal converter offers a versatile signal input range of 0 to 10 V or 0 to 20 mA, making it suitable for a wide range of industrial applications.
- 2Equipped with freely programmable switching functions, the SVE4 allows for customized solutions tailored to specific automation requirements.
- 3The device features a user-friendly interface with teach-in buttons for easy setup and operation, ensuring minimal downtime and maximum efficiency.
- 4Designed for robust performance, the SVE4 signal converter is built with high-quality materials and meets stringent environmental and safety standards, including IP65 protection.
- 5Compatible with various mounting options, including direct mounting and DIN H-rail mounting, the SVE4 provides flexibility in installation and integration into existing systems.
Technical Specifications
Detailed engineering parameters based on manufacturer documentation
| Parameter | Value | Parameter | Value |
|---|---|---|---|
| Symbol | 00991964 | Certification | RCM compliance mark c UL us - Listed (OL) |
| UL-ambient temperature | -20°C 60°C | CE marking (see declaration of conformity) | As per EU EMC directive As per EU RoHS directive |
| UKCA marking (see declaration of conformity) | To UK instructions for EMC To UK RoHS instructions | Note on materials | RoHS-compliant |
| Signal range | 0 - 20 mA +/-0.6 mA | Ambient temperature | -20°C 70°C |
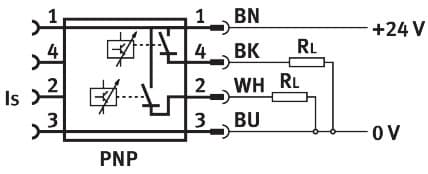
| Switching output | 2xPNP | Switching function | Freely programmable |
| Switching element function | Switchable | Short-circuit protection | Pulsed |
| Overload protection | Available | DC operating voltage range | 10V 30V |
| Electrical connection 1, connection type | Socket | Electrical connection 1, connection technology | M8x1 A-coded as per EN 61076-2-104 |
| Electrical connection 1, number of pins/wires | 4 | Electrical connection 1, type of mounting | Screw-type lock |
| Electrical connection for input 1, connection pattern | 00991872 | Electrical connection 2, connection type | Plug |
| Electrical connection 2, connection technology | M8x1 A-coded as per EN 61076-2-104 | Electrical connection 2, number of pins/wires | 4 |
| Electrical connection 2, type of mounting | Screw-type lock | Electrical connection 2, connection pattern | 00991171 |
| Product weight | 19g | Housing material | ABS |
| Setting options | Teach-in | Degree of protection | IP65 |
| Corrosion resistance class (CRC) | 2 - Moderate corrosion stress | LABS (PWIS) conformity | VDMA24364-B2-L |
| Manufacturer ID | 544218 |
Specifications may be subject to change without notice
