Product Model
spaw-b11r-g14f-2pa-m12

Key Features
- 1High Accuracy: ±1% FS accuracy ensures precise pressure measurements.
- 2Robust Design: Constructed with high-alloy stainless steel and ABS for durability.
- 3Wide Pressure Range: Measures relative pressure from -1 to 10 bar.
- 4Versatile Connectivity: Pneumatic connection via female thread G1/4 and M12x1 connector.
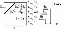
- 5Advanced Switching Output: 2xPNP switching output with programmable switching function.
Technical Specifications
Detailed engineering parameters based on manufacturer documentation
| Parameter | Value | Parameter | Value |
|---|---|---|---|
| Symbol | 00991159 | Certification | RCM compliance mark c UL us - Listed (OL) |
| CE marking (see declaration of conformity) | As per EU EMC directive As per EU RoHS directive | UKCA marking (see declaration of conformity) | To UK instructions for EMC To UK RoHS instructions |
| Note on materials | RoHS-compliant | Measured variable | Relative pressure |
| Method of measurement | Metal thin-film pressure sensor | Pressure measuring range initial value | -14.5psi |
| Pressure measuring range end value | 145psi | Overload pressure | 290psi |
| Operating medium | Compressed air as per ISO 8573-1:2010 [-:-:-] Liquid media Gaseous media | Temperature of medium | -20°C 85°C |
| Ambient temperature | 0°C 80°C | Accuracy in ± % FS | 1%FS |
| Repetition accuracy in ± %FS | 0.15%FS | Switching output | 2xPNP |
| Switching function | Freely programmable | Switching element function | Switchable |
| Max. output current | 250mA | Analog output | 4 - 20 mA |
| Rise time | 3ms | Short-circuit protection | yes |
| DC operating voltage range | 15V 35V | Reverse polarity protection | for operating voltage |
| Electrical connection 1, connection type | Plug | Electrical connection 1, connection technology | M12x1 A-coded as per EN 61076-2-101 |
| Electrical connection 1, number of pins/wires | 5 | Electrical connection 1, type of mounting | Screw-type lock |
| Electrical connection for input 1, connection pattern | 00995383 | Type of mounting | With internal thread With accessories |
| Mounting position | Any | Pneumatic connection | Internal thread G1/4 |
| Product weight | 230g | Housing material | ABS High-alloy stainless steel |
| Materials in contact with the media | High-alloy stainless steel | Display type | 4-character alphanumeric LED display |
| Displayable unit(s) | MPa bar kPa kg/cm2 psi | Switching status indication | LED red |
| Setting options | Via display and pushbuttons | Protection against tampering | PIN code |
| Setting range threshold value | 0.5% 100% | Setting range hysteresis | 0.5% 99.5% |
| Degree of protection | IP65 IP67 | Corrosion resistance class (CRC) | 4 - Particularly high corrosion stress |
| LABS (PWIS) conformity | VDMA24364 zone III | Manufacturer ID | 8022777 |
Specifications may be subject to change without notice
