Product Model
sme-8-zs-kl-led-24

Key Features
- 1The Festo SME-8-ZS-KL-LED-24 proximity sensor is designed for T-slot mounting, ensuring easy and secure installation in various industrial settings.
- 2With an operating voltage range of 12-27 V DC, this sensor is versatile and compatible with a wide range of industrial control systems.
- 3The sensor features a magnetic reed contact measuring principle, providing high accuracy and reliability in detecting proximity.
- 4The SME-8-ZS-KL-LED-24 is IP67 rated, offering robust protection against dust and water, making it suitable for harsh industrial environments.
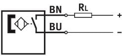
- 5This proximity sensor includes a cable length of 2.5 meters and a TPE-U(PUR) cable sheath, ensuring reliable electrical connections and durability.
Technical Specifications
Detailed engineering parameters based on manufacturer documentation
| Parameter | Value | Parameter | Value |
|---|---|---|---|
| Design | for T-slot | Conforms to standard | EN 60947-5-2 |
| Symbol | 00991144 | Certification | RCM compliance mark |
| CE marking (see declaration of conformity) | As per EU EMC directive As per EU RoHS directive | UKCA marking (see declaration of conformity) | To UK instructions for EMC To UK RoHS instructions |
| Note on materials | RoHS-compliant | Application note | Support / actuator-sensor overview "The right sensor for the actuator" |
| Measured variable | Position | Measuring principle | Magnetic reed |
| Ambient temperature | -40°C 60°C | Repetition accuracy | 0.2mm |
| Switching output | Contact-based, bipolar Without LED function | Switching element function | N/O contact |
| On time | 0.5ms | Switch-off time | 0.03ms |
| Max. switching frequency | 800Hz | Max. output current | 80mA |
| Max. switching capacity DC | 2.16W | Voltage drop | 3.5V |
| Short-circuit protection | no | Overload protection | Not available |
| DC operating voltage range | 12V 27V | Reverse polarity protection | no |
| Electrical connection 1, connection type | Cable | Electrical connection 1, connection technology | Open end |
| Electrical connection 1, number of pins/wires | 2 | Connection outlet orientation | Longitudinal |
| Cable length | 2.5m | Color cable sheath | Gray |
| Material of cable sheath | TPE-U(PUR) | Type of mounting | Clamped in T slot Can be inserted in slot lengthwise |
| Tightening torque | 0.2Nm | Mounting position | Any |
| Product weight | 27.9g | Housing colour | Black |
| Housing material | Epoxy resin PC PET High-alloy stainless steel | Switching status indication | LED yellow |
| Ambient temperature with flexible cable installation | -5°C 60°C | Degree of protection | IP67 |
| Insulation voltage | 50V | Surge resistance | 0.8kV |
| LABS (PWIS) conformity | VDMA24364-B2-L | Contamination level | 3 |
| Manufacturer ID | 171169 |
Specifications may be subject to change without notice
